您现在所在的位置:>首页 > 生活 > 正文
三相异步电动机接线图(三相异步电机常用接线方法介绍)
发布时间:2022-09-25 16:35   浏览量:19

1、星形接法:如图,电机的星形接法是将各相绕组的一端都接在一点上(U2、V2、W2),而它们的另一端作为引出线,分别为三个相线(U1、V1、W1)。



2、三角形接法:如图,电机的角形接法是将各相绕组依次首尾相连(U1 W2、 U2 V1、V2 W1),并将每个相连的点引出,作为三相电的三个相线。



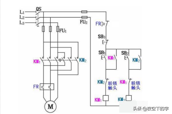
3、三相异步电机正反转接线图:

启动过程:按下SB1 KM1吸合电机正转,同时KM1自锁/互锁。

按下SB3 电机停止工作,按下SB2 KM2吸合电机反转,同时KM2自锁/互锁 FU--熔断器 FR--热保护 QS---断路器



4、三相异步电机星三角降压启动接线图:

启动过程:按下SB2 KM1吸合,主接触器KM1得电,自锁同时KM3得电KT时间继电器得电,星形启动开始计时。设定时间到,KT的辅助触点将KM3断开,KM2吸合自锁,星形启动结束转换为三角形启动。

按下SB1电机停止。


标签:
中国电机工程学会(山东电机工程学会会员有用吗) 三油两布指的是什么(三布四油,两布三油,一布二油分别是指什 安全疏散示意图(一张标准的消防疏散示意图,至少标明哪些要素 河北建工集团(河北建设集团,还是国企吗) 建筑工程质量管理体系(我国建筑工程的最高奖项是什么) 歌唱祖国奥运会开幕式童声原唱(杨宜沛的详细资料) 非机动车停车位尺寸(全尺寸轮胎和非全尺寸轮胎有什么区别) 电气原理图符号及代号(电磁阀在电气原理图中以什么字母命名 螺纹钢筋规格型号表(螺纹钢最小规格到最大规 护坡施工方案(农村房屋护坡施工方案)